Замена вентилятора охлаждения INFINITI EX

Замена вентилятора охлаждения INFINITI EX

Стоимость работ:
5 580 

Запчасти и расходники

Наименование Производитель Номер Стоимость
Вентилятор в сборе J50 S51 21481JK60B NISSAN (GLOBAL) 21481JK60B 42 930 руб.

Как поменять вентилятор охаждения радиатора двигателя на автомобиле INFINITI EX?

Как заменить вентиляторы радиатора ИНФИНИТИ EX

Заметили, что температура двигателя необоснованно повышается в пробках или при работе кондиционера? Вентиляторы охлаждения перестали включаться или работают с перебоями, издавая посторонние шумы? Современные двигатели работают при высоких температурах для соответствия экологическим нормам, и запас между рабочей температурой и перегревом невелик. Отказ вентиляторов может привести к серьезным повреждениям двигателя в короткое время.

Основные признаки неисправности вентиляторов охлаждения:

  • Повышение рабочей температуры двигателя в пробках или при движении с малой скоростью.
  • Отсутствие включения вентиляторов при прогреве двигателя до критической температуры.
  • Постоянная работа вентиляторов на максимальных оборотах без отключения.
  • Посторонние шумы (гул, скрежет, стук) при вращении крыльчатки.
  • Вибрация при работе вентиляторов (дисбаланс, повреждение лопастей).
  • Активация ошибок блока управления двигателем, связанных с цепью управления вентиляторами.

Процедура замены включает:

  1. Диагностика: Компьютерное сканирование блока управления двигателем для проверки наличия ошибок, управляющая проверка включения вентиляторов через диагностический сканер. Визуальный осмотр состояния крыльчаток, проводки и разъемов.
  2. Подготовка: Отключение аккумуляторной батареи для обеспечения безопасности. Частичный слив охлаждающей жидкости (при необходимости демонтажа радиатора для удобства доступа). Снятие декоративных элементов и защитных кожухов.
  3. Демонтаж: Отсоединение электрических разъемов вентиляторов. Аккуратное откручивание крепежных элементов, фиксирующих вентиляторный модуль к радиатору. Извлечение неисправного узла в сборе.
  4. Установка: Монтаж нового вентиляторного модуля (оригинального или качественного аналога). Подключение всех электрических разъемов. Заливка охлаждающей жидкости (если производился слив).
  5. Проверка и адаптация: Запуск двигателя, прогрев до рабочей температуры и контрольная проверка включения вентиляторов на всех режимах (включая включение кондиционера). Проверка отсутствия посторонних шумов и вибраций. Тестовый заезд с контролем температурного режима.

Техническое примечание:

На INFINITI EX первого поколения с двигателями VQ37VHR или VQ25HR применяется двухвентиляторная система охлаждения (один узел в сборе с кожухом). Вентиляторы имеют несколько скоростных режимов и управляются блоком двигателя через реле и резисторы. Конструктивно вентиляторный модуль крепится к радиатору и часто объединяет основной вентилятор радиатора и дополнительный вентилятор конденсатора кондиционера.

Замена вентиляторов охлаждения двигателя на автомобиле INFINITI EX первого поколения – восстановление эффективного охлаждения и защита двигателя от перегрева

Неисправность вентиляторов охлаждения – это прямая угроза перегрева двигателя, который может привести к деформации головки блока цилиндров, прогару прокладки и другим дорогостоящим повреждениям. Своевременное восстановление системы охлаждения критически важно для сохранения ресурса силового агрегата вашего INFINITI.

как снять вентиляторы охлаждения двигателя infiniti EX
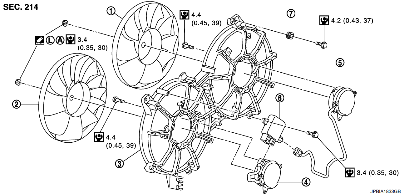
  1. Охлаждающий вентилятор (RH)
  2. Охлаждающий вентилятор (LH)
  3. Кожух вентилятора
  4. Двигатель вентилятора (LH)
  5. Двигатель вентилятора (RH)
  6. Модуль управления вентилятором охлаждения
  7. Втулка
  • A. Нанесите на вал двигателя вентилятора

Как снять вентилятор радиатора двигателя INFINITI EX ?

  • 1. Снимите защиту картера
  • 2. Слейте охлаждающую жидкость из двигателя.
  • 3. Снимите бачок-накопитель.
  • 4. Снимите корпус воздухоочистителя (LH и RH).
  • 5. Выверните крепежный болт из кронштейна гибкого шланга высокого давления.
  • 6. Снимите шланг радиатора (верхний).
  • 7. Отсоедините разъем жгута проводов от модуля управления вентилятором охлаждения и отодвиньте жгут проводов в сторону.
  • 8. Снимите вентилятор охлаждения в сборе.

ОСТОРОЖНО:

Никогда не повреждайте и не царапайте сердечник радиатора.

Как установить вентилятор радиатора двигателя INFINITI EX ?

  • Установка производится в порядке, обратном снятию.

Как разобрать вентилятор радиатора двигателя INFINITI EX ?

  • 1. Отсоедините разъем жгута проводов от модуля управления вентилятором охлаждения.
  • 2. Снимите модуль управления вентилятором охлаждения с вентилятора охлаждения в сборе.

    ОСТОРОЖНО:

    Обращайтесь с ним осторожно, чтобы избежать падения и ударов.

  • 3. Открутите гайки крепления вентилятора охлаждения, а затем снимите вентилятор охлаждения (RH и LH).
  • 4. Снимите двигатели вентиляторов (RH и LH).

Как разобрать вентилятор радиатора двигателя INFINITI EX ?

ОСТОРОЖНО:

Вентиляторы охлаждения RH и LH отличаются друг от друга. Будьте осторожны, чтобы не перепутать их.

  • Установите каждый вентилятор в следующем положении.
    • Правая сторона: 9 лопаток вентилятора
    • Левая сторона: 11 лопаток вентилятора
  • Плотно закрепите жгут проводов на кожухе вентилятора, чтобы предотвратить ослабление зоны вращения вентилятора.