Как снять передний бампер INFINITI QX70

Как снять передний бампер INFINITI QX70

Стоимость работ:
1 730 

Запчасти и расходники

Наименование Производитель Номер Стоимость
Бампер передний нижняя часть Infiniti FX35 / FX37 (S51) NISSAN (GLOBAL) 620261CB0A 15 070 руб.
Усилитель бампера передний Infiniti FX35 NISSAN (GLOBAL) 620301CH0A 28 020 руб.

Как снять передний бампер на автомобиле INFINITI QX70

Как снять передний бампер ИНФИНИТИ QX70

Требуется доступ к системам охлаждения или проведение кузовного ремонта? Необходима установка дополнительного оборудования или замена элементов оптики? Не рискуйте целостностью дорогостоящих элементов кузова! Профессиональный демонтаж переднего бампера гарантирует сохранность всех систем и точную работу датчиков.

Техническое примечание:

Передний бампер INFINITI QX70 представляет собой сложную интегрированную систему, включающую пластиковый обвес, кронштейны крепления, систему датчиков парковки, противотуманные фары и элементы системы активного охлаждения. Особое внимание требуется к хрупким пластиковым креплениям и точному позиционированию при установке.

Как снять передний бампер?

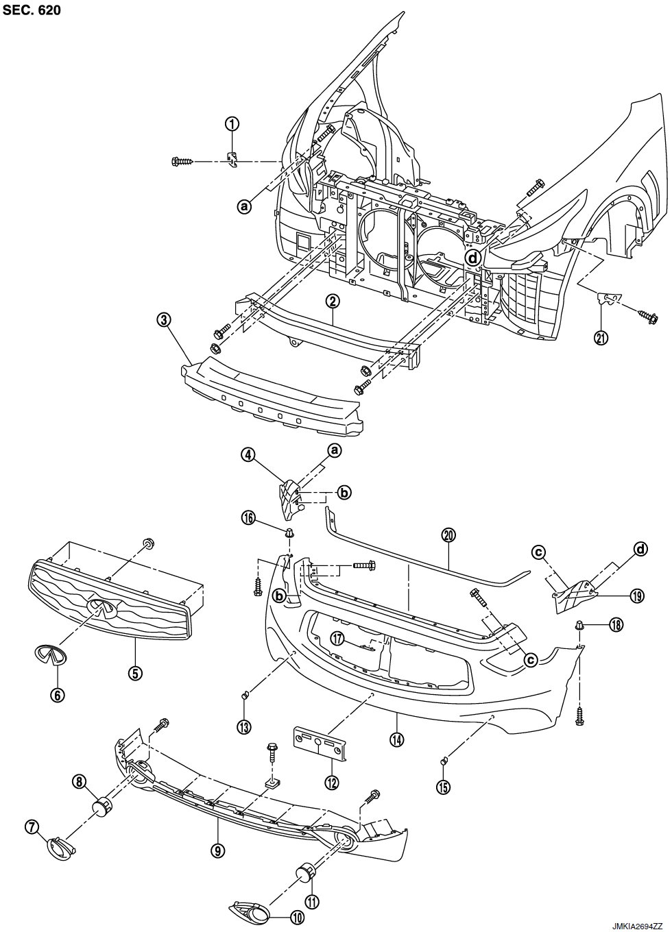
Схема переднего бампера

передний бампер схема infiniti QX70
  1. Боковой кронштейн бампера RH
  2. Усиление бампера RH
  3. Поглотитель энергии
  4. Боковой элемент жесткости бампера RH
  5. Передняя решетка радиатора
  6. Передняя эмблема
  7. Накладка на переднюю противотуманную фару RH
  8. Передняя противотуманная фара RH
  9. Нижняя панель бампера в сборе
  10. Накладка на переднюю противотуманную фару LH
  11. Передняя противотуманная фара LH
  12. Кронштейн номерного знака
  13. Датчик гидролокатора RH
  14. Накладка на бампер в сборе
  15. Датчик гидролокатора LH
  16. Боковая накладка бампера RH
  17. Фиксатор передней камеры
  18. Боковая накладка бампера LH
  19. Ребро жесткости бампера LH
  20. Уплотнитель крышки капота
  21. Кронштейн бампера LH

Как выставить зазоры переднего бампера

ПРИМЕЧАНИЕ:

В момент установки выполните регулировку фитинга омывателя фар.

ЧАСТЬ БАМПЕРА ЗАЗОР ДОПУСК
A-A Передний бампер – капот 2,5 – 5,5 мм -2,0 – 0,5 мм
B-B Передний бампер – передняя решетка радиатора 0,0 – 2,0 мм -
C-C Передний бампер – переднее крыло 0.0 – 0.5 мм -0,5 – 0,5 мм
D-D Передний бампер – фара 0,2 – 3,0 мм -
E-E Передний бампер – переднее крыло 0,0 – 0,8 мм -1,0 – 1,0 мм
F-F передний бампер – верх / низ 0,0 – 0,7 мм -

Как снять передний бампер INFINITI QX70 ?

ОСТОРОЖНО:

Накладка бампера изготовлена из полимера. Никогда не прикладывайте к ней больших усилий и следите за тем, чтобы на нее не попало масло.

  • 1. Полностью откройте капот.
  • 2. Снимите верхние боковые фиксаторы передней панели бампера в сборе (A).
  • 3. Снимите крышки машинного отделения (LH/RH) (для моделей двигателей VK).
  • 4. Снимите уплотнители капота в сборе (LH/RH) (1) с фиксирующих зажимов (A), а затем снимите уплотнитель капота в сборе, расположенный на передней панели.
  • 5. Выверните болты (A) крепления бокового элемента жесткости бампера (1) и переднего крыла (LH/RH).
  • Стрелкой указано направление переда
  • 6. Выверните крепежные винты (A) (LH/RH) переднего выступа (1).
  • 7. Снимите крепежные зажимы переднего выступа (LH/RH).
  • Изображение круга пунктиром - расположение клипс.
  • 8. Снимите втулки переднего крыла (A) с помощью съемника (B).
  • 9. Отсоедините разъемы жгута проводов (A) и (B) с задней стороны передней панели бампера в сборе LH.
  • 10. Выверните крепежные винты передней панели бампера в сборе (A) (LH/RH).
  • 11. Снимите нижние крепежные зажимы (A) и болты (B) передней панели бампера в сборе.
  • 11. Снимите нижние крепежные зажимы (A) и болты (B) передней панели бампера в сборе.
  • 12. Потяните обе стороны панели бампера в сборе в сторону автомобиля, чтобы отсоединить обе стороны панели бампера в сборе от боковых кронштейнов бампера (LH/RH).
  • 13. Снимите панель бампера в сборе.

    ОСТОРОЖНО:

    При снятии накладки на бампер требуются 2 работника, чтобы предотвратить ее падение.

  • 14. После снятия накладки на бампер снимите следующие детали.
    • Верхнее уплотнение капота в сборе.
    • Переднюю решетку радиатора.
    • * Боковое ребро жесткости переднего бампера (LH/RH).
    • Датчики гидролокатора (LH/RH).
    • Кронштейн номерного знака.
    • Накладки на передние противотуманные фары (LH/RH).
    • Передние противотуманные фары (LH/RH).
    • Нижняя панель бампера в сборе.
    • Передняя камера.
  • 15. Снимите амортизатор бампера.
  • 16. Открутите гайки и болты крепления усилителя бампера, а затем снимите усиление бампера с помощью электроинструмента.

Как установить передний бампер INFINITI QX70 ?

  • Устанавливайте в порядке, обратном снятию.

    ОСТОРОЖНО:

    Выполните калибровку изображения с камеры.