Замена передних амортизаторов INFINITI QX80

Замена передних амортизаторов INFINITI QX80

Стоимость работ:
1 700 

Запчасти и расходники

Наименование Производитель Номер Стоимость
Амортизатор передний в сборе с пружиной левый Nissan Patrol Y62 '2010- NISSAN (GLOBAL) E61011LB7A 69 960 руб.
Сайлентблок амортизатора переднего Nissan Patrol Y62 JIKIU (Япония) BS22031 3 200 руб.
Амортизатор передний в сборе с пружиной правый Nissan Patrol Y62 '2010- NISSAN (GLOBAL) E61001LB7A 76 170 руб.
Болт амортизатора Nissan Patrol Y62 NISSAN (GLOBAL) 562801LA0A 1 040 руб.

Передние амортизаторы замена на автомобиле INFINITI QX80

Замена передних амортизаторов QX80

Признаки неисправности передних амортизаторов:

  • Появился стук или скрип при проезде неровностей
  • Автомобиль «клюет носом» при торможении
  • Увод в сторону на прямой дороге
  • Вибрация руля на скорости
  • Подтеки масла на стойках амортизаторов

Точная управляемость и комфорт — основа уверенного движения! Передние амортизаторы вашего QX80 принимают на себя основные нагрузки, обеспечивая устойчивость на любом покрытии. Верните своему QX80 фирменную управляемость, идеальную курсовую устойчивость, четкое сцепление с дорогой в поворотах, мягкость при езде по неровностям, защиту других элементов подвески от преждевременного износа!

Передние амортизаторы замена INFINITI QX80

Передние амортизаторы БЕЗ HBMC

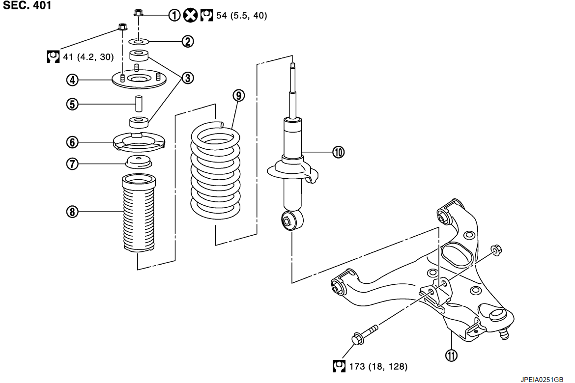
Передние амортизаторы схема INFINITI QX80
  1. Стопорная гайка поршневого штока
  2. Шайба
  3. Втулка
  4. Кронштейн крепления амортизатора
  5. Трубка
  6. Резиновое сиденье
  7. Накладка на бампер
  8. Пылезащитный чехол
  9. Спиральная пружина
  10. Амортизатор
  11. Нижняя тяга
  • Изображение гаечного ключа указывает на момент затяжки

Передние амортизаторы HBMC

передние амортизаторы схема INFINITI QX80
  1. Амортизатор в сборе
  2. Нижняя тяга
  • Изображение гаечного ключа указывает на момент затяжки

HBMC - система подавления качения кузова.

ОСТОРОЖНО:

Амортизатор в сборе не подлежит демонтажу.

Передние амортизаторы замена

  1. Уменьшите давление в системе. (С HBMC)

    ОСТОРОЖНО:

    Неосторожное снятие трубопровода может привести к разбрызгиванию жидкости.

  2. Снимите шины с помощью электроинструмента.
  3. Снимите кронштейн тормозного шланга с поворотного кулака.
  4. Выверните болты крепления суппорта в сборе. Повесьте суппорт в сборе в таком месте, где он не будет мешать работе.

    ОСТОРОЖНО:

    Никогда не нажимайте на педаль тормоза при снятом тормозном суппорте.

  5. Снимите дисковый привод.
  6. Снимите колесный датчик и разъем жгута проводов.

    ОСТОРОЖНО:

    Никогда не тяните за жгут проводов колесного датчика.

  7. Снимите наружный разъем рулевого механизма с поворотного кулака.
  8. Снимите датчик высоты с верхней тяги (справа).
  9. Установите подходящий домкрат под нижнюю тягу.
  10. Снимите шатун стабилизатора с нижней тяги. (Без HBMC)
  11. Отсоедините верхнюю тягу от поворотного кулака.
  12. Отсоедините приводной вал от поворотного кулака.
  13. Снимите переднюю трубу в сборе A и переднюю трубу в сборе B с амортизатора. (С HBMC)
  14. Снимите амортизатор.
  15. После снятия проведите осмотр.

Как установить передние амортизаторы?

Обратите внимание на следующее и устанавливайте в порядке, обратном снятию.

  • Никогда не стучите молотком или аналогичным предметом по крышке шарового шарнира шатуна стабилизатора, вставляя шатун стабилизатора в нижнюю тягу. (Без HBMC)
  • Выполните окончательную затяжку болтов и гаек с нижней стороны амортизатора (резиновой втулки) в условиях, когда шины находятся на ровной поверхности, без нагрузки.
  • Проведите проверку после установки.
  • Выполните регулировку после установки. (С HBMC)
  • После замены амортизатора всегда соблюдайте процедуру утилизации, чтобы утилизировать амортизатор.

Как разобрать передние амортизаторы БЕЗ HBMC

ВНИМАНИЕ:

Амортизатор в сборе не подлежит разборке. (С HBMC)

Как разобрать передние амортизаторы БЕЗ HBMC

ВНИМАНИЕ:

Никогда не повреждайте шток поршня амортизатора при извлечении компонентов из амортизатора.

  • 1. Установите крепление амортизатора [SST: ST35652000 ( − )] (A) на амортизатор и закрепите его в тисках.

    ВНИМАНИЕ:

    При установке крепления амортизатора на амортизатор удара оберните амортизатор специальной тканью, чтобы защитить его от повреждений.

  • 2. Используя пружинный компрессор (инструмент для коммерческого обслуживания) (A), сожмите спиральную пружину между резиновым седлом и амортизатором до тех пор, пока спиральная пружина с пружинным компрессором не освободится.

    ВНИМАНИЕ:

    Убедитесь, что пружинный компрессор надежно закреплен спиральной пружиной. Сожмите спиральную пружину.

  • 3. Проверьте, свободна ли спиральная пружина с пружинным компрессором между резиновым седлом и амортизатором. Затем снимите контргайку штока поршня, закрепив наконечник штока поршня таким образом, чтобы шток поршня не проворачивался.
  • 4. Снимите шайбу, втулки, кронштейн крепления амортизатора, трубку, резиновое сиденье, накладку на бампер, пылезащитный чехол от ударов поглотитель.
  • 5. После снятия спиральной пружины с пружинного компрессора постепенно отпустите пружинный компрессор.

    ВНИМАНИЕ:

    Ослабьте крепление, следя за тем, чтобы положение винтовой пружины не менялось.

  • 6. Снимите крепление амортизатора с амортизатора удара.
  • 7. После разборки проведите осмотр.

Как собрать передние амортизаторы БЕЗ HBMC

ВНИМАНИЕ:

Амортизатор в сборе не подлежит разборке. (С HBMC)

Как собрать передние амортизаторы БЕЗ HBMC

ВНИМАНИЕ:

Никогда не повреждайте шток поршня амортизатора при извлечении компонентов из амортизатора.

  • 1. Установите крепление амортизатора [SST: ST35652000 ( − )] на амортизатор и закрепите его в тисках.

    ВНИМАНИЕ:

    При установке крепления амортизатора на амортизатор удара оберните амортизатор специальной тканью, чтобы защитить его от повреждений.

  • 2. Сожмите спиральную пружину с помощью пружинного компрессора (инструмент для коммерческого обслуживания) и установите его на амортизатор.

    ВНИМАНИЕ:

    Убедитесь, что пружинный компрессор надежно закреплен на спиральной пружине. Сожмите спиральную пружину.

    Установите спиральную пружину так, чтобы отметки от краски были направлены вниз.

  • 3. Нанесите мыльный раствор на пылезащитное покрытие.

    ВНИМАНИЕ:

    Никогда не используйте машинное масло.

  • 4. Установите пылезащитный чехол, накладку на бампер, резиновое сиденье, втулки, трубку, кронштейн крепления амортизатора и шайбу на амортизатор.

Установите монтажный кронштейн амортизатора (1), как показано на рисунке.

Угол (а): 90°.

A : Болт монтажного кронштейна амортизатора

Убедитесь, что нижний конец спиральной пружины (В) расположен в нижнем гнезде пружины амортизатора.

  • 5. Закрепите наконечник штока поршня так, чтобы он не проворачивался, затем затяните контргайку штока поршня с указанным моментом затяжки.
  • 6. Постепенно отпустите пружину компрессора и снимите спиральную пружину.

    ВНИМАНИЕ:

    Ослабьте фиксатор, следя за тем, чтобы положение крепления спиральной пружины не менялось.

  • 7. Снимите крепление амортизатора.