Масляный насос замена Nissan Juke F15

Масляный насос замена Nissan Juke F15

Стоимость работ:
9 430 

Масляный насос замена на автомобиле NISSAN JUKE F15

Замена масляного насоса JUKE F15 – восстановление стабильного давления в системе смазки двигателя

Заметили снижение давления масла в двигателе? Появился стук гидрокомпенсаторов или предупреждающая лампа низкого давления масла? Обнаружили значительный расход масла без видимых подтеков?

Основные признаки неисправности масляного насоса:

  • Постоянное горение лампы низкого давления масла
  • Стук гидрокомпенсаторов на прогретом двигателе
  • Заметное снижение давления в системе смазки
  • Повышенный расход моторного масла
  • Нехарактерный шум из области расположения насоса
  • Задержка поступления масла к распредвалам при запуске

Процедура замены:

  • Диагностику давления в системе смазки
  • Слив моторного масла и охлаждающей жидкости
  • Демонтаж элементов, ограничивающих доступ к насосу
  • Снятие приводной цепи или шестерни привода насоса
  • Аккуратный демонтаж неисправного масляного насоса
  • Очистку маслоприемника и поддона картера
  • Установку нового оригинального масляного насоса
  • Замену всех уплотнительных элементов и прокладок
  • Монтаж всех демонтированных компонентов
  • Заправку системы свежим моторным маслом
  • Проверку давления в системе на различных режимах
  • Контроль герметичности всех соединений
  • Тестовую проверку работы двигателя

Техническое примечание:

Масляный насос Nissan Juke F15 представляет собой шестеренчатый или роторный насос, приводимый от коленчатого вала. Особое внимание требуется к правильному монтажу прокладок и качеству моторного масла, поскольку от этого напрямую зависит ресурс нового насоса.

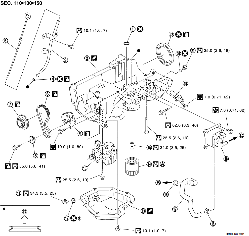
Замена масляного насоса NISSAN JUKE F15

замена масляного насоса NISSAN JUKE
  1. Уплотнительное кольцо
  2. Масляный поддон (верхний)
  3. Направляющая датчика уровня масла
  4. Уплотнительное кольцо
  5. Датчик уровня масла
  6. Цепь привода масляного насоса
  7. Звездочка коленчатого вала
  8. Звездочка масляного насоса
  9. Натяжитель цепи масляного насоса
  10. Масляный насос
  11. Сливная пробка
  12. Шайба сливной пробки
  13. Масляный поддон (нижний)
  14. Масляный фильтр
  15. Соединительный болт
  16. Зажим
  17. Шланг масляного радиатора
  18. Масляный радиатор
  19. Датчик положения коленчатого вала
  20. Прокладка
  21. Болт масляного поддона
  22. Заднее сальниковое уплотнение
  • A. Обратитесь к LU-10
  • B. К корпусу термостата
  • C. К корпусу термостата (модели M/T) К маслонагревателю вариатора (модели CVT)
  • D. Сторона масляного поддона
  • Изображение гаечного ключа указывает момент затяжки
  • Изображение жирного круга с перекрестием указывает на недопустимость повторной установки детали
  • Изображение маслёнки: следует смазать маслом.
  • Изображение пистолета-герметика: место уплотнения
  • Изображение жирного круга указывает на то, что детали соединяются в точках с одинаковыми обозначениями в реальном транспортном средстве.

Как поменять масляный насос NISSAN JUKE ?

  • 1. Снимите двигатель в сборе.
  • Снимите масляный поддон (нижний).
  • Снимите переднюю крышку и другие сопутствующие детали.
  • Снимите звездочку масляного насоса, выполнив следующую процедуру:
    • При необходимости добавьте соответствующую метку для облегчения установки.
  • a. Нажмите на устройство натяжения цепи привода масляного насоса (1) в направлении, указанном на рисунке.
  • b. Вставьте стопорный штифт (A) в отверстие корпуса (B).
  • c. Снимите устройство натяжения цепи масляного насоса.
    • Если отверстия на рычаге и корпусе натяжителя не совпадают, совместите эти отверстия, слегка сдвинув направляющую натяжителя цепи масляного насоса.
  • d. Возьмитесь за нижнюю часть вала масляного насоса [ширина: 10 мм (0,39 дюйма)] (A), а затем ослабьте болт крепления звездочки масляного насоса и снимите его.

    ОСТОРОЖНО:

    Закрепите вал масляного насоса пластинчатой частью.

    Никогда не ослабляйте болт крепления звездочки масляного насоса, затягивая приводную цепь масляного насоса.

  • e. Снимите звездочку масляного насоса.
  • 5. Снимите масляный насос.
  • Ослабьте болты в обратном порядке, как показано на рисунке.
    • 1 : Масляный насос
    • 2 : Масляный поддон (верхний)
    • Изображение стрелки указывает на перед двигателя

Как установить масляный насос NISSAN JUKE ?

Устанавливайте в порядке, обратном снятию.