Рычаг поперечный задний NISSAN PATHFINDER R52

Рычаг поперечный задний NISSAN PATHFINDER R52

Стоимость работ:
2 520 

Замена задних поперечных рычагов NISSAN R52

Задние поперечные рычаги замена НИССАН R52

Точная кинематика задней подвески — основа стабильности и управляемости. Поперечные рычаги вашего NISSAN R52 определяют поперечное положение колеса и влияют на характеристики устойчивости автомобиля.

Критерии необходимости замены:

  • Превышение допустимого люфта в соединениях
  • Механические повреждения от дорожных инцидентов
  • Расслоение резины сайлентблоков
  • Коррозионное разрушение металлоконструкций
  • Нарушение параметров развала-схождения

Процедура замены:

  • Демонтаж с применением гидравлического пресса
  • Очистка посадочных мест от коррозии
  • Использование калибровочных шпилек для позиционирования
  • Применение динамометрического ключа (момент затяжки 85-95 Н·м)
  • Контроль параллельности осей рычагов

Обязательные сопутствующие работы:

  • Регулировка углов установки колес
  • Диагностика состояния амортизаторов
  • Проверка работы системы стабилизации
  • Контроль геометрии подвески

Техническое примечание:

При замене поперечных рычагов обязательна проверка состояния всех сопряженных элементов подвески, так как они формируют единую кинематическую схему.

Задний поперечный рычаг замена

замена задних поперечных рычагов NISSAN R52
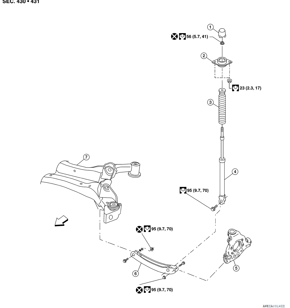
  1. Колпачок
  2. Изолятор амортизатора
  3. Ограничительный бампер
  4. Задний амортизатор
  5. Задний поворотный кулак
  6. Передняя нижняя тяга
  7. Передний элемент задней подвески
  • Изображение стрелки указывает на перед автомобиля

Как поменять задний поперечный рычаг NISSAN R52 ?

  • 1. Снимите заднее колесо и шину с помощью электроинструмента.
  • 2. Установите заднюю нижнюю тягу с помощью подходящего домкрата.

    ВНИМАНИЕ:

    Установите подходящий домкрат под наружный конец задней нижней тяги.

    ОСТОРОЖНО:

    Не повредите заднюю нижнюю тягу подходящим домкратом.

  • 3. Установите задний поворотный кулак с помощью подходящего домкрата.

    ВНИМАНИЕ:

    Установите подходящий домкрат под центр заднего поворотного кулака.

    ОСТОРОЖНО:

    Не повредите задний поворотный кулак подходящим домкратом.

  • 5. Выверните нижний болт амортизатора.
  • 6. Снимите спиральную пружину.
  • 7. Снимите гайку и болт передней нижней тяги с элемента задней подвески.
  • 8. Снимите гайку и болт передней нижней тяги с заднего поворотного кулака.
  • 9. Снимите крышку передней нижней тяги.
  • 10. Снимите переднюю нижнюю тягу.

Как установить задний поперечный рычаг NISSAN R52 ?

Установка производится в порядке, обратном снятию.

ВНИМАНИЕ:

Не используйте гайки продольных и поперечных рычагов(тяг) повторно.

Завершающую затяжку деталей выполняйте без нагрузки, когда шины стоят на земле.

Проверьте центровку колес.

Установите датчик угла поворота рулевого колеса в нейтральное положение.