Поддон двигателя замена INFINITI M37

Поддон двигателя замена INFINITI M37

Стоимость работ:
3 290 

Запчасти и расходники

Наименование Производитель Номер Стоимость
Герметик универсальный термостойкий 70мл VICTOR REINZ REINZOSIL +320C VICTOR REINZ (Германия) 703141410 780 руб.
Шайба сливной пробки Nissan 1102601M02 NISSAN (GLOBAL) 1102601M02 100 руб.
Поддон картера ДВС Infiniti VQ37VHR 11110JK20C NISSAN (GLOBAL) 11110JK20C 8 530 руб.

Как поменять поддон двигателя на автомобиле INFINITI M37?

Замена поддона двигателя ИНФИНИТИ M37

Обнаружены масляные подтеки в нижней части двигателя? Уровень масла необъяснимо падает, а на асфальте под автомобилем остаются свежие масляные пятна? Поврежден поддон в результате наезда на препятствие? Даже незначительная течь способна привести к критическому падению уровня масла, масляному голоданию и дорогостоящему капитальному ремонту двигателя вашего INFINITI M37.

Основные симптомы, указывающие на необходимость замены или ремонта масляного поддона:

  • Постоянные подтеки моторного масла в нижней части двигателя, визуально определяемые на поддоне или защите картера.
  • Снижение уровня масла между плановыми заменами, наличие масляных пятен под автомобилем после стоянки.
  • Механические повреждения поддона (вмятины, трещины) после наезда на препятствие.
  • Нарушение герметичности в месте соединения верхнего и нижнего поддонов или в области сливной пробки.
  • Следы свежего герметика или кустарного ремонта, указывающие на неудачные попытки устранения течи.

Процедура замены включает:

  1. Диагностика: Подъем автомобиля на подъемнике, снятие защиты картера, точное определение источника течи (нижний поддон, верхний поддон, сальники, датчики).
  2. Подготовка: Полный слив моторного масла в специальную емкость с соблюдением экологических норм. Демонтаж элементов выпускной системы или защиты, ограничивающих доступ к поддону.
  3. Демонтаж поддона (нижнего или верхнего): Для нижнего поддона – откручивание болтов крепления в порядке, обратном указанному в инструкции . Для отделения поддона от блока используется специальный съемник герметика (SST: KV10111100), категорически запрещается использовать отвертки, чтобы не повредить привалочные поверхности . Для верхнего поддона – дополнительно требуется отсоединение масляного щупа, датчиков давления и температуры масла, маслоприемника, а также, возможно, частичное опускание подрамника.
  4. Подготовка поверхностей: Тщательное удаление остатков старого герметика с привалочных поверхностей блока и поддона с помощью скребка и очистителя. Удаление герметика из резьбовых отверстий. Обезжиривание поверхностей.
  5. Нанесение нового герметика и установка: Нанесение нового оригинального герметика непрерывным валиком заданного диаметра (4-5 мм) по канавке поддона, согласно схеме завода-изготовителя. Установка поддона на место в течение 5 минут после нанесения герметика. Затяжка болтов динамометрическим ключом строго регламентированным моментом в указанной последовательности (от центра к краям).
  6. Сборка и контроль: Установка всех снятых элементов. Выдерживание технологической паузы (минимум 30 минут) для полимеризации герметика. Заливка свежего рекомендованного масла. Запуск двигателя, прогрев до рабочей температуры и тщательная проверка герметичности всех соединений. Контрольный заезд и повторный осмотр.

Техническое примечание:

Верхний поддон крепится к блоку цилиндров и также выполняет функцию опоры для некоторых элементов трансмиссии, его замена технически сложнее и часто требует частичного опускания подрамника. Нижний поддон является съемным и чаще всего служит источником течи из-за повреждения или нарушения герметизации заводского шва. Герметизация соединений осуществляется только специальным жидким герметиком (а не прокладкой), например, оригинальным RTV Silicone Sealant (номер 999MP-A7007P). Критически важны правильная подготовка поверхности, нанесение непрерывного валика герметика заданного диаметра (4-5 мм) и соблюдение момента затяжки крепежных болтов: для нижнего поддона – 6.9 Н·м в определенной последовательности, для верхнего – 17.2 Н·м, для сливной пробки – 34.3 Н·м . После установки необходимо выдержать паузу минимум 30 минут перед заливкой масла для полимеризации герметика.

Замена масляного поддона двигателя на автомобиле INFINITI M37 – устранение течей масла и защита силового агрегата от масляного голодания

Игнорирование даже небольшой утечки масла из-под поддона может привести к критическому падению уровня, масляному голоданию и дорогостоящему капитальному ремонту двигателя вашего INFINITI M37.

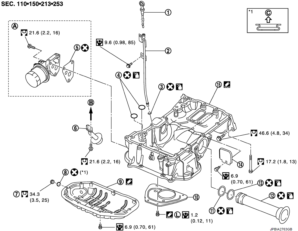
Масляный поддон VQ37VHR схема 2WD

замена масляного поддона infiniti M37
  1. Датчик уровня масла
  2. Направляющая датчика уровня масла
  3. Уплотнительное кольцо
  4. Уплотнительное кольцо-уплотнитель
  5. Соединительный болт
  6. Масляный фильтр
  7. Предохранительный клапан
  8. Датчик давления масла
  9. Масляный фильтр
  10. Датчик температуры масла
  11. Стиральная машина
  12. Масляный поддон (верхний)
  13. Сливная пробка
  14. Шайба сливной пробки
  15. Масляный поддон (нижний)
  16. Крышка задней панели
  17. Задняя накладка (модели M/T)

Масляный поддон VQ37VHR схема AWD

замена масляного поддона infiniti M37
  1. Датчик уровня масла
  2. Направляющая датчика уровня масла
  3. Уплотнительное кольцо
  4. Уплотнительное кольцо-уплотнитель
  5. Прокладка
  6. Масляный фильтр
  7. Сливная пробка
  8. Шайба сливной пробки
  9. Масляный поддон (нижний)
  10. Защитная панель
  11. Уплотнительное кольцо (малое)
  12. Патрубок оси
  13. Уплотнительное кольцо (большое)
  14. Крышка задней панели
  15. Масляный поддон (верхний)

Как снять масляный поддон VQ37HR INFINITI M37 ?

ОСТОРОЖНО:

Никогда не сливайте моторное масло, когда двигатель горячий, чтобы избежать опасности обжечься.

  • 1. Снимите крышку двигателя с помощью электроинструмента.
  • 2. Снимите масляный поддон (нижний) следующим образом:
  • a. Для снятия ослабьте крепежные болты в обратном порядке, как показано на рисунке.
    • Изображение стрелкой указывает на перед автомобиля
  • b. Вставьте резак для уплотнения [SST: KV10111100 (J-37228)] (A) между масляным поддоном (верхним) и масляным поддоном (нижним).

    ОСТОРОЖНО:

    Никогда не повреждайте сопрягаемые поверхности.

    Никогда не вставляйте отвертку. Это повредит сопрягаемые поверхности.

  • c. Сдвиньте резак для уплотнения, постучав молотком по боковой поверхности инструмента. Снимите масляный поддон (нижний).

Как заменить масляный поддон VQ37HR INFINITI M37 ?

ОСТОРОЖНО:

Не используйте повторно шайбу для промывки сливной пробки.

  • 1. Установите масляный поддон (нижний) следующим образом:
  • a. С помощью скребка (A) удалите старый герметик с сопрягаемых поверхностей.
    • Извлеките старую прокладку для жидкости (старый герметик) из отверстий для болтов и резьбы.

    ОСТОРОЖНО:

    Никогда не царапайте и не повреждайте сопрягаемые поверхности при очистке старой прокладки от жидкости.

  • b. Нанесите на масляный поддон (нижний) непрерывный слой герметика с помощью прижимной трубки (инструмент для коммерческого обслуживания), как показано на рисунке.
    • a: диаметр 4,0 - 5,0 мм
    • Изображение стрелки указывает на перед автомобиля
  • Используйте оригинальный силиконовый герметик RTV или аналогичный.

    ОСТОРОЖНО:

    Приклеивание следует производить в течение 5 минут после нанесения покрытия.

  • c. Установите масляный поддон (нижний).
  • Затяните крепежные болты в числовом порядке, как показано на рисунке.
  • 2. Установите сливную пробку масляного поддона.

    ОСТОРОЖНО:

    Не используйте шайбу для промывки сливной пробки повторно.

    • Инструкции по установке шайбы для промывки сливной пробки приведены на рисунке компонентов на предыдущей странице.
  • 3. Установите устройство в порядке, обратном снятию после этого шага.

    ПРИМЕЧАНИЕ:

    Подождите не менее 30 минут после установки масляного поддона, прежде чем заливать моторное масло.